M-7033 CR
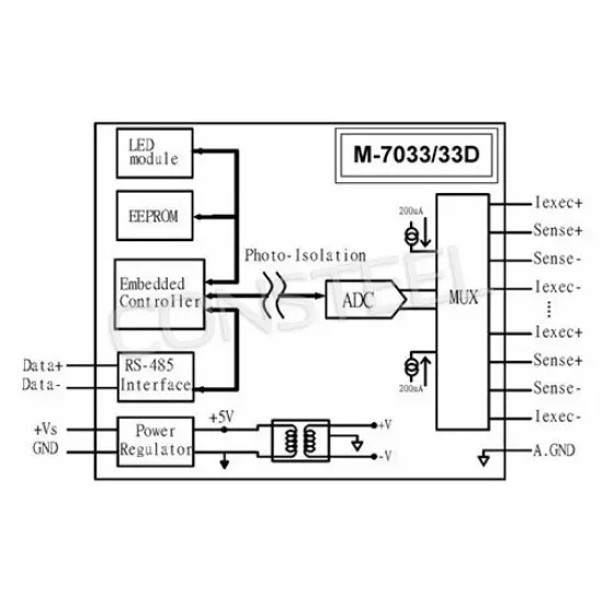
M-7033 CR to 3-kanałowy przemysłowy moduł wejściowy RTD wykorzystujący protokoły DCON i Modbus.
Pełny pakiet projektowy: Instrukcja, deklaracja CE, CAD, PDF, certyfikaty i raporty testowe
Jeśli przygotowujesz dokumentację techniczną lub projekt instalacji, możesz otrzymać komplet materiałów projektowych dla tego modelu. To szybki sposób, aby zebrać wymagane dokumenty do audytu, odbioru lub dokumentacji projektu.
- Instrukcja obsługi urządzenia (user manual)
- Deklaracja zgodności CE (EU Declaration of Conformity)
- Rysunki mechaniczne – CAD (STEP/DWG) lub PDF wysokiej jakości
- Dodatkowe certyfikaty i Raporty Testowe (jeśli dostępne dla modelu)









